INFRAPANELY Heatwell - Reference

Bytový dům Neratovice 920 m2
| Plocha: | 920 m2 |
| Příkon infrapanelů: | Celkem 49 kW, 2,7 kW / byt |
| Oritanční spotřeba: | 2800 kWh / byt |
| Konstrukce | Porotherm 44cm, 12 cm EPS |
| Regulace infrapanelů | Termostat, digitální pro každou místnost |
| Typy infrapanelů | Bílé bezrámové |
| Místo realiazace | Neratovice |
| Rok realizace | 2020 |
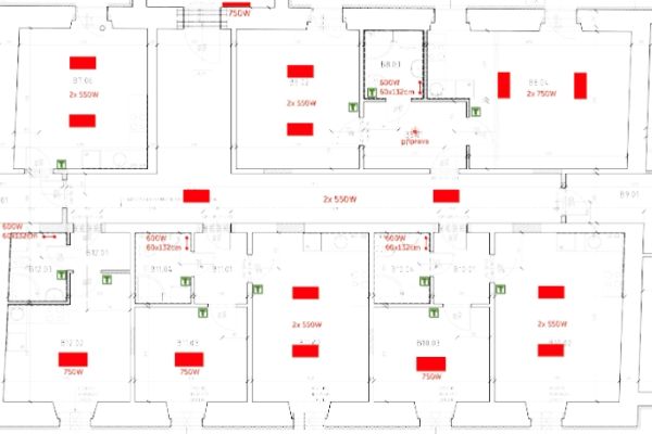
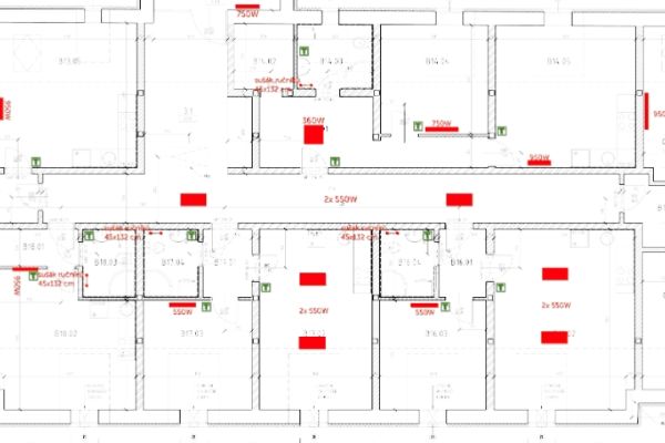
Realizace infrapanelů Heatwell v roce 2020 v bytovém domě v Neratovicích u Prahy představovala komplexní projekt, který přinesl významné přínosy nejen pro investora, ale i pro samotné nájemníky. Tento bytový dům, nacházející se na hlavním tahu na Prahu, zaujímá plochu 920 m² a zahrnuje celkem 18 bytových jednotek. Celkový příkon instalovaných infrapanelů činí přibližně 49 kW, což odpovídá průměrnému příkonu 2,7 kW na bytovou jednotku. Tento energetický výdej zahrnuje také výkonné sušáky ručníků, které jsou instalovány v každé koupelně a představují významný komfortní prvek pro obyvatele.
Investor, který již měl pozitivní zkušenosti s infrapanely Heatwell ve svém rodinném domě, se rozhodl pro tuto technologii naprosto jistě. Věděl totiž, že infrapanely Heatwell nabízejí několik klíčových výhod, které jsou v kontextu bytového domu mimořádně důležité. Mezi hlavní přednosti těchto infrapanelů patří příznivé pořizovací náklady, což znamená, že počáteční investice není nadměrně vysoká a je rychle návratná. Další významnou výhodou jsou velmi nízké provozní náklady, což představuje dlouhodobou úsporu pro všechny obyvatele domu.
Jedním z mnoha důvodů, proč se investor rozhodl pro infrapanely Heatwell, byla jejich vysoká odolnost proti poškození nájemníky. V bytových domech, kde se obyvatelé mohou často střídat, je důležitá spolehlivost a odolnost instalovaných systémů. Infrapanely Heatwell tuto potřebu dokonale splňují. Kromě toho nabízejí bezúdržbový provoz, což znamená, že není třeba pravidelně provádět nákladné a časově náročné údržbové práce.
Dalším významným přínosem je snadné měření spotřeby elektrické energie každého bytu. Tento aspekt je důležitý pro férové rozúčtování nákladů na energie mezi jednotlivé nájemníky. Díky infrapanelům Heatwell je měření spotřeby přesné a transparentní, což zajišťuje klidné soužití všech obyvatel domu.
Infrapanely Heatwell také nevíří prach a vysouší zdivo, což je obzvláště důležité v domech, které se nacházejí na rušných silnicích. V takových podmínkách není vždy možné dostatečně větrat, což může vést ke vzniku vlhkosti a plísní ve zdivu. Infrapanely Heatwell však zajišťují, že zdivo je zevnitř vysoušeno, což eliminuje riziko vzniku plísní a zajišťuje zdravé vnitřní prostředí.
Plánujeme doplnit naši galerii o nové obrázky, které budou dokumentovat úspěšnou realizaci tohoto projektu. Byty jsou v současné době plně obsazeny a jakmile bude prostor k dispozici, nafotíme další snímky, které ukáží, jak infrapanely Heatwell přispívají k pohodlí a spokojenosti obyvatel tohoto bytového domu.
Tento projekt je skvělým příkladem toho, jak moderní technologie mohou zlepšit kvalitu bydlení a zároveň přinést ekonomické a ekologické výhody jak investorovi tak i nájemníkům.

